工業型本安隔爆壓力變送器
KYB600為KY系列產品中的成熟方案,廣泛應用在燃氣壓縮機、燃氣加氣機等場合,產品性價比高,使用壽命長,因此此領域專用產品已經得到客戶的一致認可。
【產品介紹】:
KYB600系列產品選用著名品牌高精度、高穩定性的傳感器,通過成熟精湛的封裝工藝完美結合裝配,經過高可靠性的后端放大處理電路,將被測介質的壓力轉換成標準電信號輸出。
【系列用途】:
天然氣壓縮機領域
加氣機領域
燃氣子站
燃氣鉆井平臺領域
【產品特點】:
◆可帶顯示表,現場讀數
◆成熟配套,一致性好
◆選用優質傳感器,精度高,可靠性強
◆可提供本安型ExiaIICT5、隔爆型ExdIIBT5
◆可根據用戶要求定制配套
【應用概述】:
KYB600為KY系列產品中的成熟方案,廣泛應用在燃氣壓縮機、燃氣加氣機等場合,產品性價比高,使用壽命長,因此此領域專用產品已經得到客戶的一致認可。
【產品參數】:
測量介質: CNG、LNG、與304不銹鋼兼容的其它介質
量程范圍: 0~60MPa內任意量程(最小量程為0~5KPa)
綜合精度: ±0.25% FS、±0.5% FS、±1% FS(智能型±0.1% FS、±0.25% FS、±0.5% FS)
工作電壓: 14~36VDC,標準24VDC±5%,紋波小于1%(智能型12~36VDC)
(若帶數顯表,則供電最小為17VDC)
輸出信號: 4~20mA(兩線制)、0~5V、用戶可自定義
介質溫度: -10~70℃
溫度影響: ±0.5%FS(0.1級)、±1.5% FS(0.25級)、±3.0% FS(0.5級)、±5.0% FS(1級)
穩 定 性: ±0.25% FS/年(智能型±0.1% FS/年)
過載壓力: 2倍滿量程
【產品規格選型】:

*智能型產品不提供電壓輸出,只提供II型殼體,若需要帶表頭,只提供數顯表。
**精巧型產品只提供05~09量程段選擇,且7MPa以下精度為±0.5%,7MPa以上精度為±1.0%不帶數顯表。
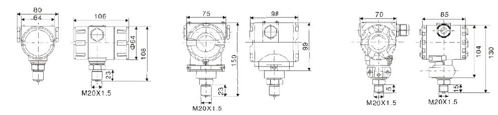
【產品尺寸圖】:

KYB600I型(本安型) KYB600II型(隔爆型) KYB600III型(精巧型)
【產品毛重】:1220g/臺
【產品凈重】:1160g/臺
聯系電話
微信掃一掃
