HDM-F系列磁致伸縮液位傳感器采用磁致伸縮原理制造的高精度、長量程線性、絕對位置測量的液位傳感器,可以精確測量容罐液面的位置。供電方式靈活,接線方法多種且極為方便,可滿足各種測量、控制、檢測的要求;采用非接觸測量方式,解決了因磨擦、磨損等造成的使用壽命低的問題。該傳感器性能高,壽命長,有良好的環境適應性、可靠性和穩定性,安裝簡單,為用戶使用帶來極大的方便。
本款產品可測量高壓高溫介質液位,高溫可達300℃。
基站柴油發電機油箱液位檢測
加油站儲罐油位檢測
化工原料液位檢測
高精度容罐的液體液位控制
磁尺在滿液式冷水機組上的應用
◆穩定性能好,精度夠高,該專用產品的精度達0.1%F.S.,完全滿足客戶1~2mm的精度要求;
◆能配合客戶系統設備即時地反映油箱內液位變化的情況,解決客戶最關心的需求點;
◆能即時地根據客戶對死區的要求作出控制方案,贏得客戶對公司跟蹤服務的認同;
◆安裝方便,油箱生產時只需根據法蘭指定尺寸開孔,磁尺配帶法蘭蓋固定在油箱孔即可;
◆磁尺產品配帶可調節裝置,對規格不一的油箱可進行上下微調,規范產品量程。
HDM-F系列磁致伸縮液位傳感器采用磁致伸縮原理,非接觸式結構,具有使用壽命長,精度高、重復性好等測量優點,在國外移動基站油箱液位檢測項目廣泛應用。
測量對象: 模擬量:1~2 個位置
ModBus:1~3 個位置,1~5 個溫度點
供電電源: +24VDC±10% ;±15VDC±10%
輸出方式: 0~5VDC、0~10VDC、-5~+5VDC、-10~+10VDC、4~20mADC、ModBus等
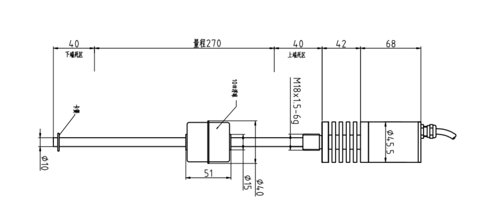
有效量程范圍: 剛性結構:50~5000mm; 柔性結構:4000~20000mm(可根據客戶特殊要求訂做)
負載特性: 電流信號輸出最大負載電阻為 600Ω;電壓信號輸出最大負載電流為 2mA
工作電流: <70mA
工作溫度: -40~+85~+300℃
儲存溫度: -40~+100 ℃
非線性誤差: <±0.05% F.S.(300mm 以下最大誤差 150um)
重復性誤差: <±0.002% F.S.
分辨率: 采用 16bitD/A 轉換 、4μm
遲滯: <±0.002% F.S.
溫度影響 : <±0.007%F.S./℃
零點可調范圍: 100%F.S.
滿度可調范圍: 100%F.S.
更新時間: 與量程有關,不超過 20ms
測桿材質: A.0Cr18Ni9(304) B.316 不銹鋼(特殊定制)
電子倉外殼材質: A.0Cr18Ni9(304)
連接形式: A.螺紋連接 B.法蘭連接 C.卡箍連接
出線方式: A.直出電纜線 B.航空插頭 C.接線端子
外殼防護等級: 電子倉 IP65 、 測桿 IP68
防爆標志: ExdⅡBT5、ExiaⅡCT




聯系電話
微信掃一掃
